0
您好,欢迎来到力源芯城,全场满300元包邮(首单满100包邮)!
热门搜索:STM32F103  |  STM32F030  |  TL431  |  LM317  |  NCP1117

首页  »  方案  »  汽车电子  »  安森美四大eFuse核心系列发力,驱动汽车电气化革新

方 案

可穿戴产品
可穿戴产品
医疗电子
医疗电子
无刷直流电机
无刷直流电机
服务型机器人
服务型机器人
LED 照明
LED 照明
多螺旋桨飞行器
多螺旋桨飞行器
汽车电子
汽车电子
工业及云电源
工业及云电源
物联网
物联网
安森美四大eFuse核心系列发力,驱动汽车电气化革新
分享到:

保险丝是汽车电路中历史悠久的一个存在。当电路系统出现故障时比如某个负载损坏,其损害可能是危险的,比如负载短路引起设备被整体毁坏,引发起火等更进一步的严重危害。保险丝是抵御这些危险过载和短路的重要元件。保险丝内含金属线或金属条,当电流过大时会熔断,切断电路并防止设备系统损坏或进一步危害发生。


汽车电路中,传统设计采用可熔断型保险丝,很多保险丝密集设计在一个盒子内,其位置一般会放置在需要更换时方便打开的地方。但由于过于集中在同一位置,而保险丝对应的负载遍布车身各处,这种设计难免造成线束繁多且走线复杂,增加电缆长度,重量和成本。而且,传统保险丝仅提供粗略的过流过载的保护,无法提供如过压,精确过流控制,电流反馈,诊断等复杂的保护和功能。


eFuse(电子保险丝)是一种集成电路,可以替代以上提到的传统保险丝。eFuse集成了控制电路,大部分产品也集成了MOSFET,其功能不仅仅是保护电路,更是负责给负载分配电源并提供多种保护功能的PD电源分配电路。并且,采用eFuse设计的汽车电路一般采用分布式布局的电源分配结构,这种布局降低了布线复杂度,可以降低电缆长度,并且eFuse的引入可以对布线线径优化(过流保护更精准),从而减少了电缆的使用长度和总体重量。



图1 汽车传统的可更换保险丝的保险丝盒

eFuse 相较于传统保险丝的核心优势


e-Fuse作为传统保险丝的替代,其拥有巨大的优势。首先其可设置性高,可通过修改内部寄存器或外围器件参数来修改I²t保护参数设置来适应保护不同的线束类别。


其可升级性好,通常eFuse同一系列甚至不同系列都是设计成可替换引脚排布,不仅可以替换为同一代产品来实现某些性能提升(如额定电流加大),也可以替换成高端系列增加新的功能。


支持诊断,eFuse可以反馈很多诊断类信息,尤其是部分eFuse支持SPI或I2C等常用接口可以反馈更多的信息。 支持电流反馈,eFuse通常可以支持读取负载的电流信息,这对于主控了解负载的状态至关重要但传统保险丝无法实现这种功能。


eFuse速度快,传统保险丝是通过热量积累最终熔断设计来实现保护的,其不仅保护电流会受温度影响较大,反应速度也很慢,而eFuse直接采集电流信号,直接根据电流大小来确定保护行为发生,其速度提升巨大。另外,eFuse还可以提供传统保险丝无法提供的过压保护等功能,其更精确的过流保护设置可以优化线束的线径从而减轻重量和成本,其可调整可设置的自恢复特性有助于减低维护成本。


eFuse 的主流实现方案与产品分类


eFuse有很多实现方案,比较传统的分立式方案现在已经不太常用,其使用MOSFET以及外围分立器件检测和控制整个电路运行,由运放、比较器、电阻、电容等构成,这种传统分立式方案电路复杂但性能一般。无法与专用集成电路方案匹敌。专用集成电路则将绝大部分功能集成在一个芯片中,其根据性能和功能多少以及MOSFET外置还是内置也会分几大类。


以安森美(onsemi)的eFuse产品为例,其按照功能多少以及是否内置MOSFET划分成了四大类别,以适应不同的功能需求和电流大小需求。通常高电流的通道需要选择外置MOSFET方案,低于30A的电流通道可以根据功能的需求在内置MOSFET方案中选择最适合的一类。


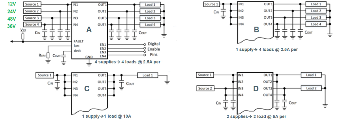
首先是SmartFET – F系列,如NCV840xxF,这是标准高边开关系列。MOSFET内置,可以提供1.5mΩ到45mΩ的选择用以不同电流通道,最高支持到30A负载电流。这个系列可以认为是传统高边开关的功能加强,用在最基础的负载电源控制应用。其拥有一些基础功能:高精度负载电流检测,错误反馈,智能重启(适用于短路或浪涌电流如电容充电场合),快速热响应。这个入门系列没有eFUSE最重要的一个功能,用来模拟真正保险丝的I²t保护功能。另外需要提到一个产品NIV3071,其也是属于标准高边开关的产品,其拥有4个独立通道(可不同电压独立供电)且耐受60V的电压,可以支持多路高压应用的场合。



图2 NIV3071典型应用电路框图

功能完善的eFuse, SmartGuard-G系列,如NCV840xxG,这个系列可以认为是拥有eFuse的较为完整的功能。要模拟传统保险丝的熔断行为,最重要的功能是I²t保护功能,在G系列当中不仅支持可设置的I²t保护功能,并且I²t保护电流水平是可由电阻在额定的范围内可自由设置的。同时,过电流限制也是由单独电阻在额定范围自由设置的,电流限制和I²t保护点设置互不影响可以自由组合设置。其拥有低功耗模式(Low Power IDEL Mode),在负载电流需求降低时可以降低电流消耗(关闭一部分保护以及降低输出电流能力)。另外,G系列还增加了非常重要的电容充电模式,用以适应负载含有大电容时充电阶段的应对。SmartGuard-G系列是功能较为完善的内置MOSFET的eFuse产品。


SmartSPI – S 系列是拥有SPI接口的eFuse,随着汽车电气化的推进,负载数量越来越多,区域控制器需要分配的电源通道数也一直在增加,传统eFuse采用直接连线来控制和反馈使得MCU的IO资源消耗越来越严重,甚至出现了增加IO扩展芯片来应对eFuse通道数增加的设计。SPI控制的eFuse可以极大缓解这种情况,所有支持SPI的eFuse均可以连接在一个SPI总线上,这极大减轻了对MCU的IO资源的消耗。这个系列的产品电流采样直接数字化输出同样降低了MCU资源的需求。


SmartDriver 系列是SPI控制的eFuse高边预驱,采用外置MOSFET架构以应对大电流应用(30A以上的负载)。其拥有非常完整的功能,除了包含以上几个系列提到的功能,其还有看门狗以及预防性维护的功能,电压和温度信息直接数字化输出。


并非所有的产品都可以归为以上4个类别,比如NCV760040,其为4通道非隔离结构,在电流保护功能上接近于基础功能的NCV840xxF系列,没有I²t保护这样的模拟传统保险丝行为的功能,但是其具有I2C通信能力,状态读取以及诊断反馈能力比较强,可以直接I2C读取负载电流或通过CS读取,所以eFuse产品呈现出多种多样的特点,需要根据具体应用来选择合适的产品来获得最佳的性价比。



图3 NCV760040的应用电路框图

eFuse 的关键功能解析


接下来介绍几个eFuse最重要的功能,首先介绍保险丝最传统的电流保护功能。最基础的是过流保护功能,eFuse通常具有可调的电流保护点设置能力,用以适应不同的应用场合和负载,以NCV840xxG为例,其电流保护点可以在25% 到 75% 之间以及最大值100%自由设置,通过外部电阻即可更改。


除了过流关断功能外,NCV840xxG还内置了一项智能过载保护机制,以I²t函数形式模拟传统熔断保险丝的电流-时间特性曲线。当高电流持续导通时间超过设定的I²t限值时,内置电路会强制输出级关断。该特性精确还原了传统保险丝的电流-时间关系,使用户能够无缝替代传统保险丝来在应用中保护线束。



图4 NCV84003G可以模拟传统保险丝的I²t曲线

接下来我们来看一下应对容性负载的功能。NCV840xxG系列拥有先进的容性负载处理能力,用在拥有大电容特性的负载场合。进入容性负载模式是自动的,作为默认的从睡眠模式的开通策略,IN引脚的使能会让器件自动进入容性负载模式。容性负载模式下,会主动降低斜率使得开通是逐渐进行的。由于容性负载的开通会使得开关管承受非常高的应力,在容性负载模式下降低的动态热保护阈值用以保护开关管不被损坏,这种动态热保护在外置MOSFET的结构中或者分立器件方案中是难以实现的。由于过高的应力会触发如DTSD(动态热保护)或过流保护等,重试策略保证负载被完全充电至完成。


容性负载模式的退出是可以由多种条件触发的,基于Vds检测的自动退出至正常模式,当电容性负载被充电时,输出电压会逐渐增加。Vds会被持续监测,一旦达到由 Vds_Norm 定义的阈值,器件将退出至正常模式。此外,为避免在此状态下长时间运行,还设计了由 tmax_Cap 指定的最大时间,内置计时器保证最大50mS的容性模式运行时间,还可以通过CS_EN引脚来控制退出容性负载运行模式。当然,对于不需要容性负载的应用场合,也有特定的操作可以直接进入正常模式。



图5 电阻负载电压波形 左图为容性模式 右图为正常模式

过温保护能力,相对于使用分立器件设计的方案,内置MOSFET的eFuse方案拥有更加可靠的热保护能力。NCV840xxG内置了2种过温保护机制,是基于两种测温方式:绝对值和相对值。为了防止损坏发生,任何一种保护触发都会让开关关闭输出。绝对值温度保护的方式比较传统,当芯片内部的温度达到设定阈值TTSD时,开关关闭输出用以保护电路不被损坏,然后核心温度会缓慢降低,当温度下降一定的阈值TTSD_HYS 时,电路可以重新启动。而相对值保护适用于在长时间高功率耗散条件下,结温的快速上升会在器件内部产生严重的温度梯度。


当这种温度梯度差变化达到规定阈值TDTSD时,相对值温度保护功能被激活,从而关闭器件。需要注意的是,在电容性负载模式下,TDTSD阈值会降低至 TDTSD_CL,以限制在给电容性负载充电时器件承受的瞬态应力。此外,热保护将在芯片的差分或绝对热极限被超出时覆盖 I²t 保护。


eFuse 对汽车电气化的推动与发展展望


随着汽车电气化的发展加深,保险丝这个传统上不被重视的器件也迎来了快速发展时期,并且还在快速发展中。传统的保险丝正逐步被功能强大的eFuse 所取代。汽车电路的架构也由集中式向着分布式的架构发展。同时eFuse的发展也极大帮助了汽车电路架构的革新,加强了汽车电路可靠性的同时帮助整体电缆缩短长度与线径,使得总体成本、体积、重量得以降低。


eFuse还依然处于高速发展时期,其技术已经不单纯追求模拟传统的保险丝的行为,因为传统保险丝并非拥有最优的特性。比如eFuse已经拥有了超越传统保险丝的电流检测保护精度,尤其考虑到不同的环境温度这个优势更加明显。


eFuse也已经可以模拟传统保险丝的I²t特性,但传统保险丝I²t行为并非是应用需要的理想行为,安森美目前正在研发能在非恒定 I²t条件下工作的eFuse,其曲线点和参数可通过 I2C 或 SPI 等串行通信协议进行编程设定。eFuse已经超越传统保险丝,并且这种优势还会逐步扩大,了解eFuse的特点并且在设计初期把eFuse考虑进电路设计架构中已经变得越来越重要,希望此文可以帮助您初步了解eFuse的特点和功能。


地址:湖北省武汉市东湖新技术开发区光谷大道武大园三路5号
版权所有©2014   武汉力源信息技术股份有限公司

鄂公网安备 42018502002463号

   |   鄂ICP备13001864号-1    |   营业执照