0
您好,欢迎来到力源芯城,全场满300元包邮(首单满100包邮)!
热门搜索:STM32F103  |  STM32F030  |  TL431  |  LM317  |  NCP1117

首页  »  方案  »  汽车电子  »  意法半导体12V锂电池管理系统高集成解决方案 - L9988

方 案

可穿戴产品
可穿戴产品
医疗电子
医疗电子
无刷直流电机
无刷直流电机
服务型机器人
服务型机器人
LED 照明
LED 照明
多螺旋桨飞行器
多螺旋桨飞行器
汽车电子
汽车电子
工业及云电源
工业及云电源
物联网
物联网
意法半导体12V锂电池管理系统高集成解决方案 - L9988
分享到:

在科技日新月异的今天,能源存储技术正经历着前所未有的技术变革。12V铅酸电池,作为传统电源的代表,正逐渐被新兴的锂电技术所取代。这种转型不仅体现了科学技术的进步,更是对环保、效率与性能需求的响应。铅酸电池历史悠久,然而其体积沉重、能量密度低、寿命短且含有有毒铅酸等缺点,限制了其在现代高效能应用中的发展。相比之下,锂电技术以其轻量化、高能量密度、长循环寿命和环保特性,成为能源领域的新宠,也逐步在新能源汽车的电池管理系统的市场中,得到大量关注与讨论。



为了抓住这一新兴市场机遇,意法半导体以中国客户的系统需求为出发点,快速推出了汽车12V锂电池高集成芯片---L9988,它集成了PMIC、AFE、HSD、RTC等模块,可以极大的简化12V BMS系统设计,并降低系统成本、提高鲁棒性,在客户端推广和评估的过程中获得一致认可。


L9988主要参数特点,贴合市场需求


AEC-Q100车规认证,支持功能安全等级ASIL-C
4~28V输入电压范围
4通道15bit电压ADC
o 精度≤±2.45mV,电芯电压[1.2V~4.5V]
20bit电流ADC测量精度
o 典型值±12mA@[-300mA,300mA]
o ±0.12%@200A,±0.11%@>600A
20bit库仑计用于SOC估算
o 待机状态下3.9%SOC精度@100mA
200mA被动均衡,支持奇偶通道开启,支持连续时间或PWM模式
集成电源管理模块,可为整板供电
集成RTC模块(支持1s~180天计时功能)
集成两路高边预驱可用于驱动外围背靠背MOSFET



图1. L9988 12V BMS系统框图

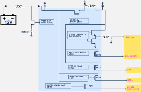
L9988内部集成电源管理模块,广泛灵活适配


相较于市面上现有方案,意法半导体开创性地将电源管理模块与模拟前端采样相结合,帮助客户节省芯片成本,并且在设计时已考虑不同MCU的需求范围。该电源管理模块的主要能力为:
降压Vcore - 1.125~5V输出可调,max.1A输出能力,可用于MCU内核供电;
线性调节VCC - 3.3V/5V输出可调,精度±1%,max.250mA输出能力,可用于MCU外设供电;
线性调节VCC2 - 固定5V输出,精度±5%,max.150mA输出能力;
线性调节电压基准VTREF,max.10mA输出能力,可用于外部NTC供电;
线性调节VSTBY - 可在休眠下保持供电,3.3V/5V输出可配,精度±3%,max.10mA输出能力。



图2. L9988内部电源管理模块框图

L9988 AFE电压、电流、温度采集


SPI或内部时钟触发数据采集
四独立通道采集电芯电压、内外总压、温度等数据,并做断线诊断
20bit电流ADC测量电流精度
20bit库仑计用于休眠SOC估算
9bit短路ADC在normal和standby实时监控电流,并在发生短路时可快速(<1.06ms)关断背靠背MOSFET



图3. L9988数据采集流程与断线诊断

L9988两路高边预驱


两路高边开启、关断独立控制
冗余关断:提供包括SPI关断、硬线关断、MCU锁歩核错误关断方式
可配合系统快速完成背靠背MOSFET开通诊断
集成背靠背MOSFET关断诊断



图4. L9988两路高边预驱

L9988内部的冗余架构,保证功能安全


VADC交叉冗余采样:用户可设置ADC_SWAP=1使能ADC交叉采样功能,ADC VOLT1/2互为冗余,ADC VOLT 3/4互为冗余。在交叉采样时,电芯电压及温度的采样所有冗余转换路径都经过了自检(BIST)过程。如果一对ADC中的某一个ADC出现了故障,ADC SWAP功能则可以继续让正常的ADC保持对故障ADC通道的电芯的过欠压、过欠温监控功能。



图5. L9988独立ADC交换采样

L9988电流采样及库仑计(CC)做了冗余设计:集成了两对数据采集PIN,CS&SC ADC用CSAN0与CSAP0,库仑计(CC)用CSAN1与CSAP1;芯片内部有两个库仑计同步采集数据并相互校验;此外,CS ADC与库仑计也会做数据校验。以上设计,共同保证数据的准确性和可靠性。



图6. L9988电流采样及库仑计(CC)

其它安全设计,包括:
1) 2个独立看门狗:问答狗和窗口狗;
2) 2个Fail Safe Output (FSO) pin:电源、SPI错误检测;
3) 2个FCCU pin:MCU锁歩核错误检测;
4) 2个温度检测ADC监控芯片温度,并相互检验;
5) 2个独立的唤醒pin:边沿唤醒和电平唤醒;
6) 功能安全相关寄存器数据需要解锁操作;关键数据储存在NVM,并与寄存器数据做相关校验。


共同满足12V BMS高功能安全要求。


L9988相关开发评估资源,协助快速开发


硬件类 - 产品数据手册,Demo开发评估板&GUI,典型设计应用设计参考,BOM推荐选型,应用手册等
软件类 - 基于底层驱动/Autosar架构的器件参考示例代码(根据具体客户需求)
功能安全类 - Safety Manual/FMEDA安全手册等功能安全相关文档(已和ST签署有效NDA的客户可提供)



图7. L9988相关支持开发资源

因L9988的高集成度设计,高功能安全等级和突出的性能参数,客户可以采用相同的设计方案实现不同功能安全等级的12V BMS系统,大大减少客户端维护不同平台的资源和成本投入。同时,L9988的12V BMS系统后续集成PDC(低压配电系统),整体的系统改动也非常小。


地址:湖北省武汉市东湖新技术开发区光谷大道武大园三路5号
版权所有©2014   武汉力源信息技术股份有限公司

鄂公网安备 42018502002463号

   |   鄂ICP备13001864号-1    |   营业执照