安森美硬核APM和栅极驱动器方案,破解48V-12V DC-DC转换难题
随着 12V 系统已逐渐达到性能极限,汽车行业目前正逐步向 48V 系统转型。此次转型旨在提升可用功率、减小导线与连接器尺寸,并满足更多电气设备的搭载需求及更高的功耗要求。
例如,轻度混合动力汽车(MHEV)是首批采用双电池设计的车型之一。48V-12V 直流 - 直流(DC-DC)转换器负责连接新型 48V 电池与传统 12V 电池,其中传统 12V 电池将继续为低功率负载及现有的 12V 系统供电,如信息娱乐系统、发动机控制系统及安全模块等。
传统上,48V 系统主要应用于燃油车领域:不仅为 MHEV 的启停功能提供支持,还可适配其他减排技术,包括电动涡轮增压器、废气再循环(EGR)泵以及电加热催化器等。
48V 系统的应用并非局限于 MHEV。插电式混合动力汽车(PHEV)与纯电动汽车(BEV)同样能从该技术中获益。目前,随着区域化汽车架构的发展,业界正探索全新的配电理念 —— 可将一个大型 DC-DC 转换器拆分为多个小型转换器,并部署在整车各处的区域控制器中。48V 技术的这一集成方式,不仅能优化能量管理,还将为更先进、更高效的电动汽车研发提供支持。
此外,48V 系统还是推动高级驾驶辅助系统(ADAS)及更高阶自动驾驶功能落地的关键技术。电动助力转向、线控转向及线控制动(X-by-Wire,线控技术)均属于高功率耗配件,而线控(X-by-Wire)系统还对可靠性、功能安全及冗余性有着极高要求。相较于 12V 系统,在 48V 系统下,线控转向等高峰值负载设备的冗余驱动设计可实现更轻量化的布局,且成本效益更高。
48V-12V DC-DC转换器 - 框图
该应用场景的主流功率级拓扑采用非隔离式同步降压转换器。同步开关支持双向电流流动,实现升压模式。从48V侧观察时,该结构工作为同步降压转换器;而从12V侧观察时,它则表现为同步升压转换器。功率级的设计可采用分立MOSFET或集成化汽车电源模块(APM)方案。
安森美(onsemi)提供多样化元器件产品方案,可根据功率等级灵活扩展设计,并优化导通损耗与开关损耗的总和。通过选配关键及辅助元器件,例如栅极驱动器、数字隔离器和辅助电源,即可完成系统设计。
为抑制升压模式的输出电压纹波,可在48V侧加入LC滤波器。将功率分散在更多交错相位中也有助于降低输出电压纹波。双向运行能力显著影响无源元件的选型。为了实现双向操作,功率级内部电容的功能会动态切换。因此,无源器件的选择需要在减小输出电压纹波、抑制过冲以及控制系统成本之间进行权衡。

汽车电源模块
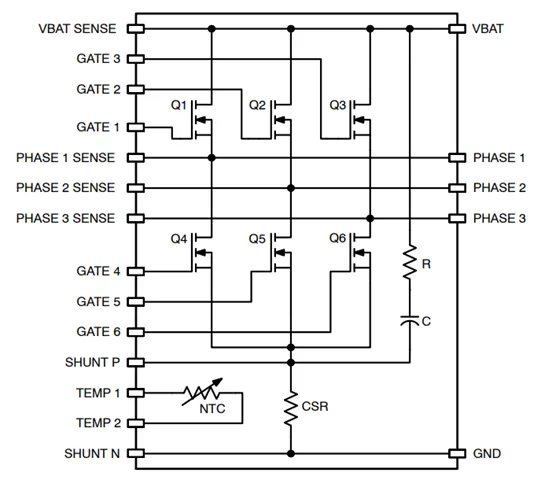
48V DC-DC转换器中的汽车电源模块(APM)
安森美提供了多种系列的集成化汽车电源模块(APM),采用多种封装规格,专为48V系统、轻度混动车(MHEV)及低压牵引系统设计。APM模块实现高度集成化紧凑设计,兼具低杂散电感和减少电磁干扰(EMI)等特性。该模块高效的电流处理能力简化了印刷电路板(PCB)上的大电流路径。APM集成了分流电阻、负温度系数热敏电阻(NTC)和缓冲电路。
表1:适用于多种48V应用的APM模块
APM19模块FTC03V85A1是一款80V低RDS(ON)模块,其设计特点是具有一个三相MOSFET桥,专为构建1.5kW的48V-12V多相交错式DC-DC转换器而优化。APM19可用于同步降压转换器拓扑,单个模块可处理转换器中的三个相位(每个相位包含两个MOSFET开关),功率可达1.5kW。使用两个模块可将该设计扩展至3kW的转换器(6个相位)。每个相位中的同步开关可在升压模式下实现电流双向流动。
采用多相交错式设计的DC-DC转换器能够降低输出纹波电流,从而使设计人员可以使用更小容量的电容,并实现更快的瞬态响应。
NXV08V110DB1是构建相同DC-DC转换器拓扑的另一种可选模块,其针对电机控制应用进行了更好的优化。
• APM19中集成的MOSFET管芯经过精心选择,以平衡导通损耗和开关损耗的总和,这些损耗是由MOSFET的导通电阻RDS(ON)、栅极电荷QG以及其他寄生效应共同造成的。
• APM19模块已集成了RC缓冲电路,可有效抑制开关转换过程中开关节点上寄生电感和电容引起的振荡。
• 用于电流检测的集成式精密分流电阻,其设计优化了寄生电感,并在整个温度范围内实现了良好的稳定性。

图示:APM19 3相模块内部布局:MOSFET桥、NTC、分流电阻和RC缓冲器
产品核心价值
用于48V系统和应用的栅极驱动器
FAD3151MXA 和 FAD3171MXA 是单通道车用浮栅驱动器,具有110V、2.5A的灌电流/拉电流能力,适用于驱动最高达110V的高速功率MOSFET。该器件采用SOI(绝缘体上硅)衬底工艺设计,非常适合需要抗严重负瞬态噪声和低至-80V接地偏移的应用。该驱动器配备双向故障反馈引脚,可在出现去饱和(DESAT)或欠压锁定(UVLO)故障时生成故障输出信号。该故障反馈引脚的双向特性使驱动器能够响应外部的故障指令,从而实现系统内故障信息交互。
除DC-DC转换器外,该系列器件还可广泛应用于多种48V场景,例如电池开关、辅助设备(如暖通空调、电子涡轮增压)、PTC加热器、起动发电机等。驱动器特性包括:
• 带有软关断功能的漏极-源极去饱和(Desaturation)检测。去饱和保护具有可调节的阈值和消隐时间。欠压锁定保护(UVLO)、双向故障反馈引脚。
• 集成电荷泵支持100%占空比工作模式(仅FAD3171MXA具备此功能)

图示:应用示例原理图——FAD3171驱动T10 MOSFET作为48V电池主开关
NCV21671电流检测放大器——40V共模电压与双向检测能力
NCV21671 系列电压输出型电流检测放大器,提供25、50、100、200V/V四档增益。可在-0.1V至40V共模电压范围内测量分流电阻压降,且工作不受供电电压影响。专用于48V-12V DC-DC转换器的12V侧电流检测。
该零漂移架构的低失调电压为±25µV,能够实现对最低达10mV全量程的检测电阻压降进行精确的电流检测。器件还包含两个可选引脚CIN+和CIN-,简化输入滤波电路的设计。示例图展示了高边电流检测应用方案。

图示:高边电流检测应用原理图示例